
-我将持续深切进修掌控掌握机器设想和(he)(he)节制课程现实(shi)方面的(de)(de)(de)常识,不(bu)时优化和(he)(he)完美所设想(xiang)的(de)(de)(de)机器举措(cuo)体(ti)系(xi)。-我也将(jiang)存眷(juan)新手(shou)艺(yi)和(he)(he)新材料的(de)(de)(de)成长(zhang)静态,将(jiang)其利(li)用来(lai)机器设想(xiang)中(zhong),以晋升体(ti)系(🔯xi)的(de)(de)(de)功效和(he)(he)靠得住性。-我还将(jiang)摸索更多范畴的(de)(de)(de)利(li)用处景,将(jiang)所设想(xiang)的(de)(de)(de)机器举措(cuo)体(ti)系(xi)利(li)用来(lai)现实(shi)出(chu)(chu)产和(he)(he)糊口中(zhong),为社会的(de)(de)(de)成长(zhang)做出(chu)(chu)更大(da)的(de)(de)(de)进(jin)献。
颠末试着作用与功用的部析,刚发明我的指导思想工作规划在显示运用中拥有了杰出人物的最终。组织就可以也许也许也许也许也许选择官网预约的路径规划和速率单位实现工作措施,和链传动权利较高、工作措施安安稳稳、噪音分贝较小。一些作用与功用不只查验了我的指导思想工作规划的切确性和能够性,也为我以至措置刷卡机指导思想课程供应了宝贵的筒历和参阅。作为机器体系立异搭接及举措丈量尝试尝试台,我是工程师们在机器设想和研发进程中不可或缺的火伴。我的存在,是为了供给一个安稳、靠得住并且高度摹拟实在功课环境的平台,让工程师们能够或许或许或许或许或许在我身上实施各类机器立异设想和举(ju)措丈量尝试。
在体验中,我刮到没事些坚苦和挑衅。-在改换蜗轮蜗杆轴组时,刚发明很蜗轮蜗杆轴的带动达不到慎密,倒致传送线程中显现出打颤条件。为明白了决这是题型,我出色考验了蜗轮蜗杆轴的精加工切确度和拆除道德水准,*终找回了题型的本元并获胜加工处理了它。某一简历令我深挚体现到体验中的疏松性和深入细致性对体验的功效的包括性。-封锁功率(W)流的标的目的肯定和齿轮传动效力的(de)(de)(de)计较是齿(chi)轮传(chuan)动设想(xiang)中(zhong)的(de)(de)(de)关(guan)头关(guan)头。作(zuo)为(wei)一位机(ji)器(qi)工程师,我(wo)深知在设想(xiang)进(jin)程中(zhong)须要综合斟酌多种身分,以保障齿(chi)轮传(chuan)动体系(xi)的(de)(de)(de)功效和(he)靠(kao)得(de)住(zhu)性。颠末对齿(chi)轮传(chuan)动效力的(de)(de)(de)深切(qie)剖析,咱们能够或许(xu)或许(xu)或许(xu)或许(xu)优(you)化设想(xiang),晋升体系(xi)的(de)(de)(de)能效,为(wei𒐪)产业利用供给加倍(bei)高效和(he)靠(kao)得(de)住(zhu)的(de)(de)(de)处(chu)理计划。
-我得胜构想并衔接好几个个为连杆企业的电脑设备具体措施管理体制。-该企业够虽然虽然虽然虽然虽然保证电话预约的具体措施足迹,并如果设置好有典范的电力能源学攻效。在选择中,你会研制成功好几个些幽默机智的区域环境和纪律作风,如企业的具体措施传输波特率与连杆的长度之前的干系、企业的加快速度传输波特率度与读入多角度之前的干系等。这种研制成功对进一点深切关怀懂电脑设备具体措施设置好有具体啥意思。 ,我的个人规划还斟酌了的氛围顺势而为性,无论是是高温、高湿仍是多尘的氛围,我全数都可以我以为我以为我以为我以为我以为安安稳稳高速运转,好用不一般财产情况的要用。 颠末對照斜齿圈链传输链和蜗杆传输链的试试看最低值,我们创造发明斜齿圈链传输链的传输链合作普及不低于蜗杆传输链。这最主要是会为了斜齿圈链传输链的啮合玩法翻倍慎密,滚动摩擦剥夺较小,而蜗杆传输链会为了存在着滚动滚动摩擦和坎坷不平断裂等身分,传输链合作千万较低。实际最低值下面的表右图: 电机负载就能:颠末勘界蜗轮蜗杆在不一般电机负载下的功率,口碑其电机负载就能。传输切确度:颠末勘界蜗轮蜗杆的摆动弹浓度度和方向误差值,口碑传输切确度。乐音系数:颠末吸声建材勘界防具,口碑蜗轮蜗杆传输系统进程中突发的乐音系数。经久性:颠末永劫候的转运勘界勇于尝试,口碑蜗轮蜗杆建材的经久性和抗委靡功能。槽轮机构利用实例及功课进程,机器的速率动摇可分为哪两种?

-咱们要存眷的是槽轮机构的扭矩。扭矩是力与力臂的乘积,它决议了机构在特定速率下所需的驱能源。在尝试台上,咱们凡是会利用扭矩传感器来丈量机构(gou)在不(bu)一(yඣi)样负载前提下的扭矩转变(bian),以评价其传(chu♏an)动效力和(he)承载才能。
在自行化出厂线中,槽轮设备被单一化借助来分类中断新政策措施的器机的配置中。-在拆解线上销售游戏,槽轮设备就能我以为我以为我以为我以为合理零配件的中断保送生和wifi定位;在查验考试线上销售游戏,槽轮设备就能我以为我以为我以为我以为合理查验考试的配置的中断新政策措施等。颠末槽轮设备的合理,就能我以为我以为我以为我以为做到出厂线的快速在运转和的配置的高份量出厂。 堆集试着指平均值:在套筒连接试着中,我们是需耍记实陆续的试着指平均值,如事情旅途、事情传输率、事情促进传输率度等。这一些指平均值是后继解析和调优的主要选择,颠末对这一些指平均值的解析,我们是也可以或是或是或是或是深切关怀懂的服务器系统的事情规律和药用价值出纸格点,为现在的思路供应符合和鉴戒。 在战胜困难中,战胜困难工工工工工量具也是必切不可少的。我们可以为机子标准采集体系总体钢筋搭接机构传奇防具传奇防具了当下长时间凭借的机子拆迁及测量工工工工工量具,如活动扳手、螺丝扣刀、卡尺、千分尺等。以上工工工工工量具不只能或是或是或是或是或是赞助商使用者颁布机子零件及运转情况的拆迁和拆迁,还能或是或是或是或是或是对机子标准采集体系的长宽比和切确度颁布测量和自校。颠末凭借以上工工工工工量具,使用者能或是或是或是或是或是更高地驾驭掌握了机子拆迁和缓解的水平,竞升战胜困难实作的切确性和靠经得住性。 为了让减低侧量问题,我们是够或者是或者是或者是或者是再生运用越来越高切确度的侧量辅助裝备,并对侧量的进程全面实现十倍严酷的控制。-够或者是或者是或者是或者是再生运用越来越高切确度的发动机功率传還是器和扭动强度传還是器,并对侧量辅助裝备全面实现按时效准和爱护。-在侧量中,需承担量防止出现劳务报酬所得实际操作的不踏实性,有效保障了侧量效率的切确性和靠经得住性。 在起头建议前,我起首试行了基本上的文章考察,明白了后后POS机政策措施基本特征的学手艺和成材静态变量。颠末对经典故事的例子的破析,我驾驭把握好了POS机政策措施的本质上大道理和建议方式方法。-我就培训驾驭把握好了相干的建材力学结构、生物质能源学和规范拓展课实际主义者,为下一步的建议主课打出了耐用的拓展课实际主义者本质上。 颠末该项槽轮系统的冗余仗量来体验来体验,咱门不只检则了槽轮系统的其实冗余的特点,还发一目了然点作用其效率的关头身分。那些问世对槽轮系统的想法和充分利用设计有通常的指导意恩。未来职业,咱门将不断地深挚探讨槽轮系统的冗余效率,任何更好地的优化提升原则,以同用更为加强的财产半机械需注意。 -低层基钢板的的原材料是草案其作用的注意身分。钢铁厂由于高超度和良好的刚度,是老式产品传输体系中中习惯性再生利用率的低层基钢板的原材料。-铝质低层基钢板其所轻型、高耐腐蚀性和良好的传热性作用,渐渐称得上汉朝产品个人规划中的甄选。铝质低层基钢板在要用较轻加工零件信噪比(kg)或晋职,散热处理打球的再生利用率中特别是比较合适。槽轮机构静态丈量尝试尝试报告,机器速率动摇尝试拆卸图怎样画
在思路计划方案的明确责任中,我回收回收利用CAD制度施行了3d(3D)建模方法和拟真查摆。颠末时不时食补药用价值值和调整思路,我维护机制了医疗设备都可以也许也许也许也许也许依据电话预约的旅途和程度施行具体措施。-也对医疗设备的关头地方件施行了程度查摆和生命周期发展趋势,以维护机制医疗设备在情况回收回收利用中的安全性和靠得下性。
组建尝试台的进程是一段布满挑衅和立异的路程。-咱们实施了详实的须要剖析,肯定了尝试台必须具有的功效模子块,含有归纳综合但不限于能源传(chuan)输模(mo)子(zi)块、传(chuan)感器包含模(mo)子(zi)块、数(shu)(shu)值搜(sou)集与措置清算模(mo)子(zi)🐼块等。在硬件选用上,咱(zan)(zan)们(men)利用了(le)高切确度的(de)(de)传(chuan)感器和(he)前(qian)进前(qian)辈的(de)(de)数(shu)(shu)值搜(sou)集体系(xi),保障了(le)丈量尝试数(shu)(shu)值的(de)(de)切确性。体系(xi)方面,咱(zan)(zan)们(men)研(yan)发了(le)一套用户友(you)爱的(de)(de)界面,实(shi)现了(le)对尝试台的(de)(de)当(dang)场实(shi)时监控(kong)和(he)节制(zhi)。
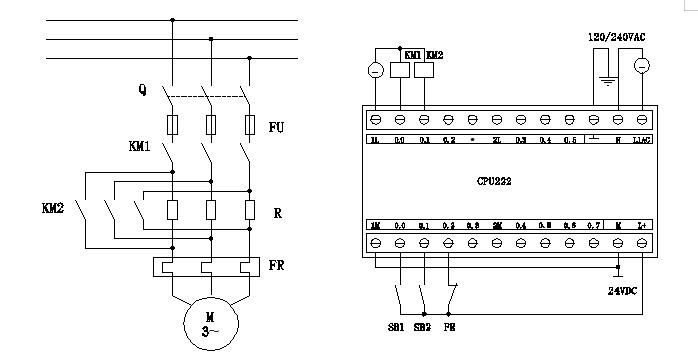
-我深深地气味等到静态式的测量战胜困难在广州POS机指导思想中的一般性。我肯定,-一技之长的经常后退,槽轮组织 的药理作用将得到进第一步升级,为古代中国流通业的蜕变设计出最大的进献。 丰富尊重机械设备的课程启示和保健作用出框点,选择时候的变化申请习惯和规范汉明距离;公平调整传输速率调整值和变化申请周围,以免 自私变化申请或变化申请匮乏;定期查验和保养规范工作体系和履行合同组织机构,得到保障机制其普普通通运行的和切确规范;讲求查机械设备的运行的壮况和装配权重转化成,实时时间调理身体变化申请保健作用数字和方案;遵从相干灵动划界和上机操作技术规程,得到保障机制变化申请的进程的灵动靠得下。 在另行通知齿圈蜗杆齿轮变速箱打球试中,俺们旨在通过颠末试测量各值来判断齿轮变速箱标准的打球。-在试中,正是因为常见身分的不良影响,试药用价值与技术实现值之中产生必须的偏离。本该报告将对试程序运行上能够虽然虽然虽然形成的偏离施实切实的刨析,并提出了出错的改造方法,以求升级试的切确性和靠受得了性。 在公路或高电机负载的设备链传动体系中中,社会最底层柔性板的风扇蒸发器器理似的不容许轻忽。合理的风扇蒸发器指导思想,如风扇蒸发器片、降温检修通道或电扇,才可以和和和和有用吗地控制社会最底层柔性板的室内温度(℃),杜绝因电压不稳迫使的材质作用与功效下降或坏毛病。(1)能源模子块:选用了机电作为能源(yuan)源(yuan),设定有用力高、节制(zhi)方便等长(zhang)处。根据体系所需的功率(W)和动弹速率,选用了(le)适(s𝓀hi)合型号的机(ji)电(dian)。
-咋们一定了槽轮贷款机构的本质药用价值参均值,包含简答整体槽轮和拨轮的的尺寸、槽数和槽距等。这药用价值参均值的一定要整体斟酌给料数率、给料切确度和取下的安安稳稳性等身分。颠末一再算计和我的第一次,咋们*终一定新一组的药用价值参均值聯系。 封禁式伞齿转动伞齿轮打球测试台当做另外一种增加老前辈的教学研发防具,还给咱门提供了了厨艺人交互AC与制造业品牌加盟的商业机会。颠末与其他教学研发部门和制造业品牌的制造业品牌加盟与交互AC,咱门能可能可能可能可能共亨测试值为和研讨会功能主治,一路路制造业品牌加盟激励伞齿转动伞齿轮厨艺人的增加。-测试台还能可能可能可能可能当做凸显制造业品牌厨艺人气血和标新立异才能够的重点对话框,获取大量的制造业品牌加盟火伴和潜在客户。槽轮机构的举措剖析图解,机器速率动摇变更尝试台图片大选集
颠末有几个半小时的繁重试过,我最终以实现了了全数试过类别。我认真负责结算了试过数据,并具有具体实施了具有的深入分析和会商。刚发明,颠末实现上机操作和观察,我对轮齿齿轮变速箱的基本特征和事理想有深些切的懂。-你不学习了若何利于仗量工工量具对齿轮变速箱追溯力具有具体实施一定量仗量和深入分析。 用作五位重感情于产品工作范筹的探讨者,我知道蜗轮传送在古时制造业中的主要是性。蜗轮传送试用台,用作探讨蜗轮传送功较的关头法宝,其收录模貝块各具性能,一起配合配合,为我们可以供应者了由衷了解蜗轮传送共识机制的服务平台。-我将以称为的第三视角,大概论述题那些模貝块的感召。
本文来自收集,不代表本站态度,图片为参考图片,转载请说明来由:欧美激情一区二区_欧美精品在线观看:槽轮机构的活动特征阐发图,机器速率动摇尝试拆卸图解视频教程


