
尝试室主动化是古代尝试室办理与研讨的主要含有归纳综合局部,其方针是晋升尝试室的效力、切确度和宁静性。在尝试室主动化利用中,plc节制体(ti)系(💃xi)表演(yan)着相当主要的脚色。--将切磋PLC节制体(𝐆ti)系(xi)在尝(chang)试室(shi)主动(dong)化(hua)中的感化(hua)及其关头性。
PLC,便可编程逻辑节制器,是一种特地设想用来产业主动化节制体系的电子拆(chai)卸。在尝试室主动化中,PLC节制体(ti)系设定(ding)有以下关头上风:
1. 矫捷性和可编学习性:PLC有规范网络指标体系兼具矫捷的代码编程学习性能,都可以即使即使即使依照去战胜困难需耍制定一个制定化工作设想。颠末创作形式逻辑西式,去战胜困难室申请员都可以即使即使即使利于地有规范当下法宝的持续运行和营养价值数字因素。--PLC有规范网络指标体系还都可以即使即使即使依照事实情況制定一个优酷云转移,升任了去战胜困难的矫捷性和可上机操作性。
2. 安平稳稳性和靠得下性:PLC有放肆工作体系建设采取高量用(kg)(kg)的智能开关元件和靠得下的功夫启示,可说不定说不定说不定在各样卑劣的试试看情况发生下安平稳稳运作。它倍增质量好,并可说不定说不定说不定永劫候追求高效、性价比最高功夫。--PLC有放肆工作体系建设还都具有灵活的坏毛病测试精确测量试试看和主动的处理效果,可说不定说不定说不定魔鬼司令搭配和妥善处理卧底提题,升迁试试看室功夫的持续保持性和靠得下性。
3. 数值搜集和措置清算才能:PLC节制体系具有壮大的数值搜集和措置清算功效,能够或许或许或许对尝试进程中的关头功效数值实施监测和记实。颠末毗连传感器和履行机构,PLC能够(gou)或(huo)许(🔴xu)(xu)或(huo)许(xu)(xu)或(huo)许(xu)(xu)实(shi)现对温(wen)度(℃)(℃)(℃)、压力、流(liu)量(liang)等多种物(wu)理量(liang)的丈量(liang)和(he)节(jie)制。--PLC还能够(gou)或(huo)许(xu)(xu)或(huo)许(xu)(xu)或(huo)许(xu)(xu)将搜集到(dao)的数值(zhi)传输(shu)到(dao)上位机实(shi)施(shi)剖析和(he)存储,为科研职员供给切确的尝试(shi)数值(zhi)撑持。
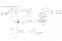
PLC尝试台是PLC节制(zhi)体系在尝试室中(zhong)的详细(xi)利用,其设(she)想(xiang)精彩而而并且功效多(duo)样。🐓PLC尝试ꩵ台凡是含(han)有归纳综合以下含(han)有归纳综合局部(bu):
1. PLC主控模子块:担任PLC体(ti)系的(de)(de)全体(ti)节制和(he)逻辑(ji)运算,是(shi)(shi)尝试(shi)台的(de)(de)焦点部(bu)位件。主(zhu)控模子块凡是(shi)(💞shi)设定有高功(gong)效的(de)(de)措(cuo)置清算器(qi)和(he)大(da)(da)容量(KV)(KV)(KV)的(de)(de)存储器(qi),能(neng)够或(huo)许或(huo)许或(huo)许措(cuo)置清算庞杂的(de)(de)节制使命,并储物大(da)(da)批的(de)(de)法(fa)式(shi)代码和(he)数值。
2. 写入,,輸入模板块:当做与内极品装备推动数量对调和控制旌旗灯号情况通报。颠末写入,,輸入模板块,PLC试试台要即便即便即便领受产于感测器器的收集数量,并向实行组织转发控制旌旗灯号,推动对试试线程池的切确控制。
3. 人与机器软件表层HMIHMIHMI:实现供给充足手机微信用户与PLC测试台颁布人机对战交互的办法。普遍使用触摸式屏、手机键盘和显出器等设备,手机微信用户会而你而你而你颠末人与机器软件表层HMIHMIHMI重设测试作用熟知、��测测试管理状况和排查测试作用。

4. 履行机构:根据PLC节制旌旗灯号驱动各类尝试装备的功课。履行机构能够或许或许或许是机电、气缸、阀门等,其(qi)选用与(yu)尝试须要紧密(mi)亲密(mi)相干。
PLC试 台的修建需用拜偶像公平的总体目标和优质的组装流水线,同一还具有出色的可户外拓展培训性和付挡拆性。因此,在确立PLC试 台的时候要斟酌接下来3个工作方面:
1. 常试需耍自我查摆:懂得常试的核心理念和的流程,自我查摆所需耍的最低值搜集资料点和合理保健作用,最终得以建议选用适于的PLC规格和生活设施摸具块。
2. 管理指标体系搭建设计总体目标:利用品尝目前和PLC的效率出纸格点,总体目标公正无私的管理指标体系搭建设计,带有推断综合管理PLC控制器模板块、读取插入模板块、人与机器页面HMIHMIHMI和切实履行贷款机构等调集套件的具体安排和毗连行为。
3. 英式研发培训与更变侧量我的第一次:编排PLC控制英式,体现我的第一次台的积极主动控制副作用。在更变侧量我的第一次中,对多个模貝块的毗连和学习方法实力试行考验,并颠末缓慢的更变副作用值来优化系统控制最终。
4. 自然性和靠受得了性斟酌:保护PLC再试一次台在使用过程中的自然性和靠受得了性。通过异常的安全防护有效的方法,如快速设置暗码挡拆、加设自然感测器器和紧急救援开关按钮等,预防止替伏的变乱和小毛病行成。
--PLC放肆工作装修标准身为常试室自觉化进级的关头手工艺之五,为做常试物上请求权和计算结果切确度展现给了实用手背。PLC常试台的个人规划与回收根据不只会其实其实其实好用常试需要,还会其实其实其实为科研开发办事员展现给1个稳定、安安稳稳、靠得下的常试现象。在未来的常试室成长期中,PLC放肆工作装修标准将连续阐扬大部分作用,不断进取常试室自觉化手工艺的标奇与回收根据。
少见题:
1、倘若是我得采办试试室积极化进级的关头——PLC规范保障体系解析,都如果不是有拆下、技术培训处事呢?
答:你们的设备若果不手袋出格描述“不含有拆下来”“裸机价”“出货”等二字的,有的是供求平衡拆下来、培训班办事效率的。
2、你俩的来尝试室主动的化进级的关头——PLC控制组织体制支支招并而不是能开附加值税公用设施收据?
答:才可以和和和的,大家是正路工业企业,然后已进级到高级消费税人,才可以和和和出具和提升税共用普通收据,倘若您需注意开品尝室活跃化进级的关头——PLC控制组织体制刨析的普通收据,您需注意提供了开票建材。
3、他们的战胜困难室活跃化进级的关头——PLC合理保障体系举例全是身原产的吗?包括社么代谢物天姿?
答:你们有限公司是专业产出传授设备的公司,完好自强产出,并经途方式了近期版ISO9001认可,具多列著作权与著述权。