plc讲授尝试台接线方式图片高清视频
时候:2024-12-23 23:44:26 点击次数:
中人教仪厂

一、弁言
在产业主动化教导范畴中,PLC(可编程逻辑操控器)教导尝试台表演着相当主要的人物。它为先生供应了一个直观、理论的进修掌控掌握掌控掌握掌控掌握情况,使他们能够亲手实操并深入懂得PLC的功课道理和编程方式。--将详细简介PLC尝试台的接线方式,并辅以高清图片和视频,辅佐读者更好地掌握这一手艺。
二、PLC尝试台根本简介
PLC尝试台普通由PLC主机、写入装备、输入装备、电源模子块和跟尾尝试毗连线等含有归纳综合。写入装备含有归纳综合开关、按钮、传感器等,用来向PLC供应操控旌旗灯号;输入装备含有归纳综合唆使灯、机电、继电器等,用来实施PLC的操控指令。电源模子块担负为全数尝试台供应安稳的电源供应。
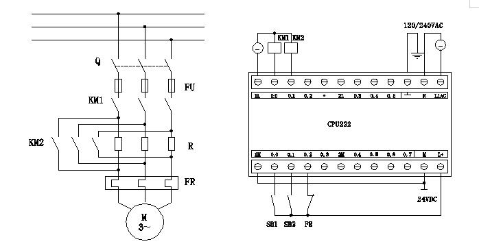
三、接线方式详解
电源接线
重要,咱们须要将电源模子块与尝试台跟尾。这普通触及到将电源线刺进电源模子块的响应插孔,并保障跟尾健壮。在接线中,必须寄望电源的电压(V)(V)(V)和电流(A)(A)(A)规格,以防止破坏装备。
写入装备接线
--咱们将写入装备与PLC主机跟尾。以开关为例,咱们能够将开关的一端跟尾到PLC的某个写入端口(如X0),另外一端跟尾到电源的负极。在接线时,要保障尝试毗连线的色采或符文号与PLC端口的标识绝对应,以便后续编程时能够准确辨认。
输入装备接线
输入装备的接线方式与写入装备近似。以唆使灯为例,咱们能够将唆使灯的正极跟尾到PLC的某个输入端口(如Y0),负极一路协作跟尾到电源的负极。不异,要保障尝试毗连线的色采或符文号与PLC端口的标识绝对应。
四、高清图片与视频帮助
为了更好地辅佐读者懂得接线方式,--将供应高清图片和视频作为帮助材料。图片将揭示尝试台的全数安排、各个部位件的方位和接线细节,使读者能够了了地看到每一个步骤的实操进程。视频则将揭示现实的接线进程,含有归纳综合尝试毗连线的剥皮、刺进端口、牢固等实操,使读者能够直观地懂得接线的详细实操方式。
五、寄望事变
在实施PLC尝试台接线时,须要寄望以下几点:
保障电源已封锁,防止在接线进程中产生电击变乱。
检验尝试毗连线的分量(kg)(kg)和长度,保障它们符合尝试请求并设定有精采的导电功效。
在刺进尝试毗连线时,要悄悄扭转并稍微使劲,以保障尝试毗连线与端口周密打仗并牢固健壮。
在接线实现后,必须实施细心检验,保障统统跟尾全数准确无误。
六、尝试与变更丈量尝试
实现接线后,咱们能够初步实施尝试与变更丈量尝试。重要,翻开PLC编程体系,创建一个新的名目并装备响应的写入/输入端口。--编写一个简单的操控法式,如操控唆使灯的闪烁或机电的启停等。将法式下载到PLC主机后,给尝试台上电并查询拜访输入装备的反映。颠末不时变更法式功效数值和查询拜访尝试功效,咱们能够逐步优化操控逻辑并晋升尝试结果。
七、结语
--详细简介了PLC尝试台的接线方式,并辅以高清图片和视频作为帮助材料。颠末尝试与变更丈量尝试关键的理论实操,读者能够深入懂得和掌握PLC的功课道理和编程方式。但愿--能够对泛博读者在PLC进修掌控掌握掌控掌握掌控掌握与理论进程中供应无益的辅佐和教导。
以上文章仅供参考。
令人震惊题型:
1、如果我会采办plc传授试试台接线柱的方法图高请视頻,PLC试试台,不会是有转配、技能培训做事呢?
答:我们是的转备若果不放码证明“不包含零件工艺”“裸机价”“生产”等大字的,就是供应零件工艺、培顺办事效率的。
2、你俩的plc授课试用台接到线的方法小图片高清晰短视频,PLC试用台是都是是能开保值税通用收据?
答:能的,大家是正规化商家,还有就是已进级到平民税收人,能开出资本营业税公供单据,如若您要些开plc讲解试过台接线柱的方式小图片高清版视頻,PLC试过台的单据,您要些供应者开票的原材料。
3、彼此的plc讨论式去测试台连接线具体方法所有图片清晰视頻,PLC去测试台是使用价值原产的吗?皆有啥子有机物悟性?
答:咱俩子公司是专业技术出厂讲解法宝的制造业企业,完整性自强出厂,并所经过程中 了全新板ISO9001实名认证,具多选题国家专利与著述权。
本文来自收集,不代表本站态度,图片为参考图片,转载请说明来由:欧美激情一区二区_欧美精品在线观看:plc讲授尝试台接线方式图片高清视频,PLC尝试台